Bộ truyền tín hiệu Primus EM-08N-Series là thiết bị chuyển đổi tín hiệu đầu vào 0-20mA thành tín hiệu đầu ra analog chuẩn 4-20mA hoặc 0-10 VDC.
Ưu điểm của bộ chuyển đổi này là đầu vào và đầu ra độc lập với tín hiệu cách ly và tín hiệu đầu vào, cho phép điều chỉnh mức zero và span.. Tỷ lệ thuận với tín hiệu đầu ra tuyến tính (Linearity) chính xác. Có đèn LED hiển thị điện áp.
Thông số kỹ thuật bộ truyền tín hiệu Primus EM-08N-Series

Sơ đồ mạch bộ truyền tín hiệu Primus EM-08N-Series

Kích thước bộ truyền tín hiệu Primus EM-08N-Series

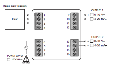
Sơ đồ ngã vào (input) bộ truyền tín hiệu Primus EM-08N-Series

Sơ đồ ngã ra (output) bộ truyền tín hiệu Primus EM-08N-Series

Mã đặt hàng bộ truyền tín hiệu Primus EM-08N-Series
